Xe điện tại Việt Nam sẽ sử dụng các loại sạc cắm nào để nạp pin?
| Ô tô điện VinFast VF e36 đang gây sốt trên CNN VinFast sắp IPO 2 tỷ USD tại Mỹ? Video: VinFast VF e34 có dùng chip Nvidia 'siêu khủng' ? |
![]() |
Chuẩn sạc CHAdeMO
![]() |
Chuẩn sạc CHAdeMO (CHArge de Move) được phát triển từ năm 2010 với mục đích tạo ra tiêu chuẩn sạc nhanh tối ưu để tăng tốc hiện thực hoá phương tiện sử dụng điện.
Tiêu chuẩn CHAdeMO phiên bản thứ 1 (Ver 01) này cho phép sạc tối đa 62.5 kW với điện áp một chiều 500V dòng điện một chiều 125A qua đầu cắm tiêu chuẩn tương ứng và các phiên bản sau có mức công suất sạc cao hơn.
Hiệp hội CHAdeMO được hình thành bởi công ty điện lực Tokyo (TEPCO), Nissan, Mitsubushi và công nghiệp nặng Fuji (nay là Subaru), sau đó bổ sung thêm Toyota, Hitachi, Honda và Panasonic.
Tiêu chuẩn thương mại CHAdeMO đầu tiên được công bố vào năm 2014 (IEC 61851-23 cho hệ thống sạc, IEC 618510-24 cho giao tiếp truyền thông, và IEC 62196-3 loại AA cho chuẩn đầu cắm) và tiêu chuẩn IEEE 2030.1.1TM-2015 vào năm 2016.
Vào năm 2019, đã có tổng cộng khoảng 25.300 trạm sạc trên thế giới, trong đó 9.200 trạm sạc Châu Âu, 7600 trạm tại Nhật Bản, 3.200 trạm tại Bắc Mỹ và 5.300 tại các quốc gia còn lại.
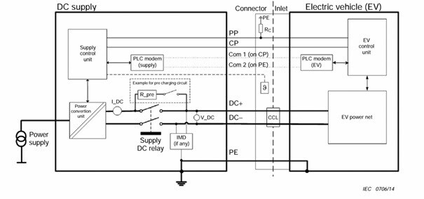
Như hình trên, đối với chuẩn sạc CHAdeMO ngoài việc cung cấp dòng điện sạc DC, mạch giao tiếp CAN còn phải kết nối một số giao tiếp analog để xác định chuẩn của trạm sạc có tương thích xe điện hay không.
Chuẩn sạc của Trung Quốc
![]() |
Tiêu chuẩn sạc của Trung Quốc được tự phát triển và công bố vào năm 2011 thành tiêu chuẩn quốc gia với tiêu chuẩn GB/T 20234 (tiêu chuẩn đầu cắm), GB/T 27930 (tiêu chuẩn giao tiếp truyền thông), GB/T 18487 (tiêu chuẩn trạm sạc).
Tiêu chuẩn sạc của Trung Quốc được áp dụng cho toàn bộ xe được sản xuất và lưu hành nội địa cho phép sạc tối đa điện áp 1 chiều 750V và dòng điện 1 chiều 125A.
Hiện nay, Trung Quốc và Nhật bản đang nghiên cứu và phát triển chung một tiêu chuẩn trạm sạc và các thành phần liên quan cho phép công suất sạc một chiều lên đến 900kW (600A và 1500V).
Chuẩn sạc CCS
![]() |
Tiêu chuẩn CCS (Combined Charging System) – Hệ thống sạc kết hợp được công bố vào hội nghị VDI lần thứ 15 của hiện hội kỹ sư Đức năm 2011 tại Baden-Baden.
Tiêu chuẩn CCS định nghĩa một mẫu đầu kết nối duy nhất tại phía xe đáp ứng cho phép dòng sạc một chiều DC lên đến 200 Ampe.
Ban đầu có 7 nhà sản xuất xe hơn (Audi, BMW, Daimler, Ford, General Motors, Porche và Volkswagen) giới thiệu nguyên mẫu tiêu chuẩn CCS vào năm 2012.
Thông số kỹ thuật của tiêu chuẩn sạc một chiều DC được mô tả trong tiêu chuẩn IEC 62196-3 cho dòng sạc một chiều tối đa 125A và điện áp một chiều tối đa 850V.
Đối với đầu cắm chuẩn sạc, ngoài dòng điện DC sạc từ trạm điện; các tín hiệu điện xác định trạng thái kết nối còn yêu cầu giao tiếp bắt tay PLC giữa trạm sạc và xe điện.
Chuẩn sạc Tesla
![]() |
Chuẩn sạc Tesla Supercharge là công nghệ sạc nhanh một chiều 480 V được phát triển bởi nhà sản xuất xe Tesla (Hoa Kỳ) sử dụng cho tất cả các dòng xe của hãng.
Mạng lưới trạm sạc Tesla Supercharge được giới thiệu đầu tiên vào năm 2012.
Đến tháng 3 năm 2020, Tesla đã vận hành 16.103 trạm tại 908 điểm trên toàn thế giới, trong đó 908 điểm ở Hoa Kỳ, 98 điểm tại Canada, 16 điểm tại Mexico, 520 điểm tại châu Âu và 398 điểm tại châu Á Thái Bình Dương.
Mỗi trạm sạc Tesla cho phép kết nối đến mức công suất 250 kW đối với pin xe tiêu chuẩn 400 V.
Chuẩn đầu cắm của Tesla là chuẩn riêng được qui định của hãng, tuy nhiên hãng cũng cung cấp đầu chuyển tương thích với chuẩn CHAdeMO.
Đầu cắm này được cung cấp chính hãng kèm với xe Tesla để tương thích trạm sạc chuẩn chung thế giới.
Tiêu chí kỹ thuật cơ bản
Theo nghiên cứu của EVNCPC, trạm sạc phải đáp ứng những tiêu chí kỹ thuật cơ bản đối với các hình thức sạc, cụ thể là:
Về công nghệ sạc: Đáp ứng tương thích các quy định tương ứng với chuẩn sạc quy định (ví dụ: IEC 62196-1, 2, 3; IEC 61851-21, 23, 24; IEEE 2030.1.1-2015); Hỗ trợ nhiều chủng loại chuẩn sạc trên thế giới; Đáp ứng đa dạng các hình thức sạc khác nhau: sạc chậm (cấp 1, 2), sạc nhanh (cấp 3), đổi pin.
Về an toàn: Đảm bảo an toàn điện, độ tin cậy và chính xác; Trạm sạc có các biện pháp bảo vệ và cảnh báo an toàn cho người dùng trong quá trình sử dụng.
Về hình thức, kiểu dáng: Mang kiểu dáng công nghiệp, hình ảnh tiết kiệm năng lượng, thân thiện với môi trường; Chương trình phần mềm tương tác người dùng được thiết kế ít nhất bằng ngôn ngữ Việt-Anh, giao diện trực quan và dễ dàng sử dụng.
(Theo:Baogiaothong)
Thủ tướng Chính phủ giao chỉ đạo cơ quan đăng kiểm thực hiện dừng đăng kiểm đối với số xe chưa làm thủ tục chuyển ... |
Tháng 3/2021, Toyota Camry vẫn đứng đầu phân khúc sedan hạng D, bất chấp sự tăng trưởng của các đối thủ còn lại. |
Kia Seltos tiếp tục được người dùng Việt ưa chuộng với doanh số 1.600 xe trong tháng 3 và gần 4.000 xe trong quý I/2021. |
Có thể bạn quan tâm
Honda Việt Nam tuyển chọn “Tài năng đua xe nhí 2026” thu hút gần 200 hồ sơ
Honda Việt Nam tuyên dương các HEAD xuất sắc Quý 4/2025
Khám phá Toyota GR Yaris Ogier Edition vừa ra mắt, giới hạn 200 xe toàn cầu
Aston Martin và Honda tương lai có thể mang công nghệ F1 lên siêu xe đường phố
Toyota Camry 2.5 HEV, sedan hạng D của những giá trị sử dụng lâu dài
Cùng chuyên mục
Vincom Retail ra mắt dòng sản phẩm Vincom Collection – mô hình khu phố thương mại đa trải nghiệm thế hệ mới
VinFast ký kết hợp tác phát triển hạ tầng giao thông tại Indonesia
Nữ sinh sở hữu gần 500.000 followers trên Tiktok ghi tên vào chung kết Tiếng nói Xanh
Vingroup đào tạo 20.000 nhân tài AI thực chiến, phụ cấp 8 triệu đồng/tháng
Siêu ứng dụng thế hệ mới: Cách VinSmart Future giải bài toán quá tải ứng dụng của người Việt





